Ingénierie & Procédés Industriels

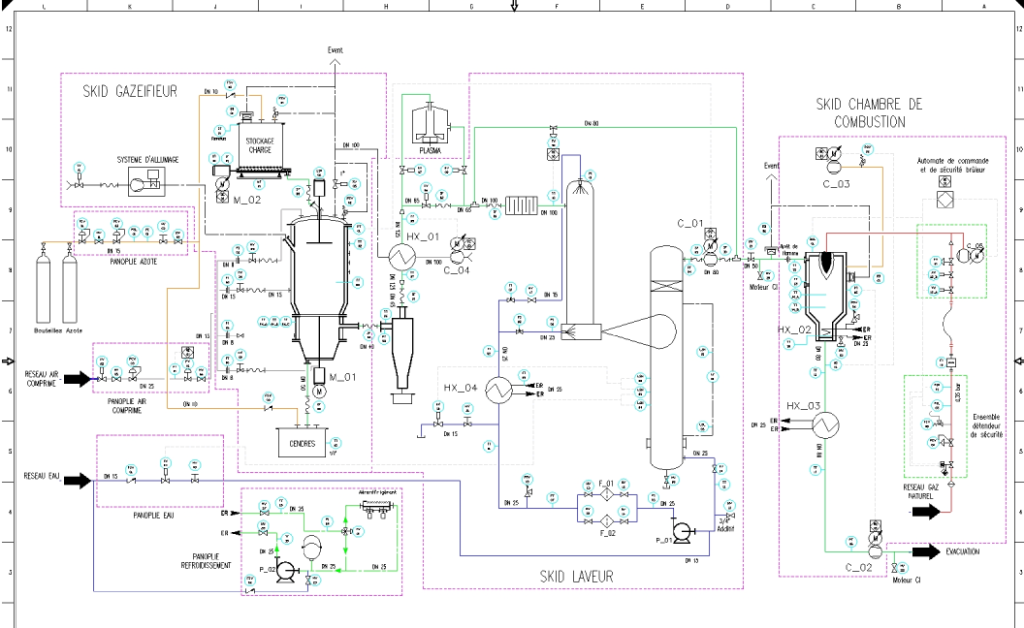
Schéma P&ID d'un four


Conception et développement d’équipements sur mesure pour l’optimisation, la fiabilité et la sécurisation
des procédés industriels.


Domaines d’application :

  • Énergie : procédés thermiques, valorisation énergétique, systèmes de conversion.
  • Chimie : unités de production, réacteurs, traitement des effluents.
  • Agroalimentaire : skids de process, équipements de conditionnement, hygiène et sécurité des procédés.

Réalisation d’études d’ingénierie tant en phase d’avant-projet qu’en phase de conception détaillée, pour
structurer et formaliser les procédés industriels avec rigueur et précision.

P&ID (Process & Instrumentation Diagram)
Élaboration de schémas de procédés détaillant les équipements, les lignes de flux, ainsi que l’instrumentation et l’automatisation. Ces documents sont essentiels pour le dimensionnement et l’intégration des systèmes.

CdCF (Cahier des Charges Fonctionnel) & Analyse fonctionnelle
Définition des exigences fonctionnelles, identification des scénarios d’utilisation, et modélisation des
fonctions principales et des contraintes opérationnelles. Ces outils garantissent une parfaite
cohérence entre les besoins des utilisateurs et les solutions techniques proposées.

CdCT (Cahier des Charges Technique)
Rédaction des spécifications techniques détaillées pour la conception, la fabrication ou l’intégration
des équipements. Ces documents servent de référence aux fournisseurs et partenaires industriels.

Objectifs :
Garantir une lecture claire des processus, anticiper les évolutions, s’adapter à la logique existante, respecter
les normes en vigueur et simplifier la documentation.